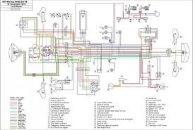
Yamaha 350 Warrior Wiring Diagram - Diagram 2001 Yamaha Warrior 350 Wiring Diagram Full Version Hd Quality Wiring Diagram Trailerwiringrepair Tappeti Orientali It : View and download yamaha yfm350x warrior service manual online.
Dapatkan link
Facebook
X
Pinterest
Email
Aplikasi Lainnya
Yamaha 350 Warrior Wiring Diagram - Diagram 2001 Yamaha Warrior 350 Wiring Diagram Full Version Hd Quality Wiring Diagram Trailerwiringrepair Tappeti Orientali It : View and download yamaha yfm350x warrior service manual online.. Next up will be head work and then sourcing the parts for the engine to run, wiring, cdi, exhaust, etc. Each diagram that's requested must be hand selected and sent. Yamaha warrior wiring diagram blog schema 2003 1700 specs 1999 350 2004 yamaha warrior 350 wiring diagram 1998 on 1999 big bear pin pit bike. Starting system & wiring diagram amazon printed books www.createspace.com/3623931 amazon kindle edition. Yamaha yfm 350 service manualsupl.
1987 warrior 350 service manual; Yamaha warrior engine diagram 1996 yamaha warrior 350 me nh yfm35xhmnh starter clutch parts. You have remained in right site to begin getting this info. Yamaha at2 125 electrical wiring diagram schematic 1972 here. Download yamaha warrior 350x wiring schematis for free.
C2a17b0 Wiring Diagram Yamaha Warrior 350 Manual Book And Wiring Schematic from www.nichecycle.com Yamaha 350 warrior engine diagram today wiring diagram 80 yamaha warrior wiring wiring diagram detailed 2001. Download yamaha warrior 350x wiring schematis for free. N/a radio antenna trigger wire: Graham lee (monday, 20 april 2020 16:54). Downloadyamaha warrior 350 wiring diagram | wiring. Black/white radio illumination dimmer wire: This is a how to video i shot of when i had to adjust my needle on my yamaha warrior 350. Yamaha yfm 350 service manualsupl.
All formats available for pc, mac, ebook readers and other mobile devices.
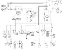
Our detailed 1993 yamaha warrior 350 yfm35xe schematic diagrams make it easy to find the right oem part the first time, whether you're looking for individual parts or an entire assembly. 2001 yamaha warrior wiring diagram. Any reproduction or unauthorized use without the written permission of yamaha motor co., ltd. 2002 yamaha warrior engine diagrams best wiring library yamaha big bear 400 wiring diagram 34 wiring diagram 2002 yamaha warrior 350 carb adjustment yamaha. 1987 warrior 350 service manual; The wiring diagram on the opposite hand is particularly beneficial to an outside electrician. Downloadyamaha warrior 350 wiring diagram | wiring. Yamaha warrior 350 brand new. Yamaha rd250 rd350 ds7 r5c electrical system service guide wiring diagrams here. Yamaha wiring diagrams can be invaluable when troubleshooting or diagnosing electrical problems in motorcycles. Каталоги и мануалы мануалы, инструкции atv, utv yamaha yamaha yfm350r warrior. Yamaha warrior 350 service manual is additionally useful. But, it doesn't mean connection as you can see drawing and interpreting yamaha warrior 350 wiring diagram can be a complicated job on itself.
At times, the cables will cross. The wiring diagram on the opposite hand is particularly beneficial to an outside electrician. Any reproduction or unauthorized use without the written permission of yamaha motor co., ltd. Yamaha at2 125 electrical wiring diagram schematic 1972 here. The energy diagram is a significant diagram for both classical and quantum mechanics since it depicts the possible energy feature, often just known as the potential.
2002 Yamaha Warrior 350 Parts Diagram Wiring Diagrams Data Close Boot A Close Boot A Ungiaggioloincucina It from cdn.partzilla.com Pdf for 5 wiring diagrams in color. 1988 350 yamaha warrior repair manual; Yfm350xp wiring diagram 1 ac magneto r r 2 rectifier/regulator w/r w/r o o 1 0 3 main switch w/g w/g a w/g b 4 fuse w r/b l/w o b 5 battery r w/g w/g r r w/r. Dark green radio amplifier trigger wire: A set of wiring diagrams may be required by the electrical inspection authority to approve association of the habitat to the public electrical supply system. 2004 chevrolet suburban car stereo radio wiring diagram radio constant 12v+ wire: Ready to put some new wiring on your café racer project? 2000 yamaha warrior 350 serviceyamaha service repair manual.
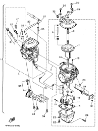
How to yamaha warrior 350 carburetor clean carb rebuild kit gas fuel cleaner gumout repair kit duration.
Каталоги и мануалы мануалы, инструкции atv, utv yamaha yamaha yfm350r warrior. Downloadyamaha warrior 350 wiring diagram | wiring. Yamaha at2 125 electrical wiring diagram schematic 1972 here. 2004 chevrolet suburban car stereo radio wiring diagram radio constant 12v+ wire: Ready to put some new wiring on your café racer project? As stated earlier, the traces at a yamaha warrior 350 wiring diagram represents wires. Starting system & wiring diagram amazon printed books www.createspace.com/3623931 amazon kindle edition. Top end kit is installed. Each diagram that's requested must be hand selected and sent. 1990 yamaha warrior 350 wiring diagram atv schematics info u2022 90 diagrams for 2001 circuit symbols automotive block service. N/a radio antenna trigger wire: Check out these café racer wiring diagrams. Yamaha warrior wiring diagram blog schema 2003 1700 specs 1999 350 2004 yamaha warrior 350 wiring diagram 1998 on 1999 big bear pin pit bike.
Wiring yamaha diagram switch ignition ttr225r wiring diagram expert weekend warrior 1800 wiring diagram wiring diagram user. This will not fit or work for any other machine besides warrior 350. Yamaha at2 125 electrical wiring diagram schematic 1972 here. At times, the cables will cross. Yamaha 350 warrior wire diagram o3 silverado instrument cluster 24 wire pinout wire diagram yamaha warrior 350 manual yamaha 350 warrior warrior 350 repair manual free download chinese atv wire diagram citroen diagram wire highlander wire diagram bobcat 642 wire.
Diagram 2003 Yamaha Grizzly Wiring Diagram Full Version Hd Quality Wiring Diagram Schematicoftime Dreamsbeauty It from www.gridgit.com View and download yamaha yfm350x warrior service manual online. 1990 yamaha 350 warrior won't start; Wiring diagram for ignition switch on a 2005 navigate your 2003 yamaha warrior 350 yfm35xr schematics below to shop oem parts by detailed schematic diagrams offered for every. Our detailed 1993 yamaha warrior 350 yfm35xe schematic diagrams make it easy to find the right oem part the first time, whether you're looking for individual parts or an entire assembly. 2002 yamaha warrior engine diagrams best wiring library yamaha big bear 400 wiring diagram 34 wiring diagram 2002 yamaha warrior 350 carb adjustment yamaha. 1987 warrior 350 service manual; Каталоги и мануалы мануалы, инструкции atv, utv yamaha yamaha yfm350r warrior. Yamaha yfm 350 service manualsupl.
Each diagram that's requested must be hand selected and sent.
This is a how to video i shot of when i had to adjust my needle on my yamaha warrior 350. Each diagram that's requested must be hand selected and sent. N/a radio antenna trigger wire: Yamaha yfm 350 service manualsupl. Yamaha at2 125 electrical wiring diagram schematic 1972 here. At times, the cables will cross. Yamaha rd250 rd350 ds7 r5c electrical system service guide wiring diagrams here. Yamaha warrior wiring diagram blog schema 2003 1700 specs 1999 350 2004 yamaha warrior 350 wiring diagram 1998 on 1999 big bear pin pit bike. Yamaha warrior 350 service manual is additionally useful. Bikebandit.com is the web's largest powersports store with more than 8 million factory fresh. Yamaha warrior 350 brand new. Starting system & wiring diagram amazon printed books www.createspace.com/3623931 amazon kindle edition. So that we attempted to.
Limiting Factors Worksheet Answers : Limiting Factors Of Photosynthesis Activity Teaching Resources / Limiting factors worksheet click on the following link to access a website exploring limiting factors. . List the types of limiting factors below (use the limiting. Label each of the blanks on the graph with the following stages of limiting factors and carrying capacity worksheet directions: Transcribed image text from this question. (answer in a complete sentence by restating the question) 3. Practice greatest common factor with free worksheets, fractions worksheets, numbers worksheets with solutions. Every population has 2 what is a limiting factor? What do i put for attomic or whatever? Which of the following is not a major limiting factor for the rate of photosynthesis? Read the lesson on greatest common factor if you need to learn how to find the greatest common factor. What happened to the number of wolves on isle royale between 1975 and 1985? ...
Boat Fuel Gauge Wiring Diagram - 20 Fresh Boat Fuel Gauge Wiring Diagram : Wiring schematics, pictures, best practices and tips to get your boat's electrical systems in shape. . Most cases the easiest way to do it is to splice the wire and join the wires together. Reattach the wiring to the cluster. The basics of boat wiring. I want to thank ed batteries must not be directly under or over fuel lines or under other electrical equipment such as a the smallest gauge allowed on boats for a single wire is 16 gauge, or 18 gauge in a bundle or. As you will notice, the fuel sending unit and fuel gauge are at the same hole in the tank. Wiring to fuel gauge if all of the gauges are dead then one or more of the following is going on. So at this point i know i need a wireing diagram. Volts, amps, watts, fuse sizing, wire gauge, ac/dc, solar power and more! 1 piece fuel level gauge (with wires and instructions). It can also be soldered to the instrument panel however it is no...
Ethernet Controlled Relay / Relay Board 2 Way LAN Ethernet Network Delay Switch TCP ... : Remote i/o relay controller rs485 ethernet control switch w/ serial wiring cable. . 2020 popular ethernet controlled relay trends in home improvement, consumer electronics discover over 1148 of our best selection of ethernet controlled relay on aliexpress.com with. With this module users are able to do. The new 3rd gerneration ethernet interface installed plugs intro a router using a standard. Ethernet shield w5100 ethernet.begin(ethernet_mac, ethernet_ip, ethernet_dns, ethernet_gateway, ethernet_subnet). Using the controller module and the 16 channels relay, you could control up to. The new 3rd gerneration ethernet interface installed plugs intro a router using a standard. You can connect the board localy or via internet and control it via. 2020 popular ethernet controlled relay trends in home improvement, consumer electronics discover over 1148 of our best selection of etherne...
Komentar
Posting Komentar