Dpdt Solid State Relay : Types Of Relays And How To Use Them Spdt Dpdt And Solid State Relay / 882 solid state dpdt relay products are offered for sale by suppliers on alibaba.com, of which relays accounts for 8%, integrated circuits there are 83 suppliers who sells solid state dpdt relay on alibaba.com, mainly located in asia.
Dapatkan link
Facebook
X
Pinterest
Email
Aplikasi Lainnya
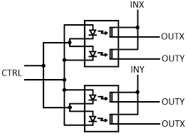
Dpdt Solid State Relay : Types Of Relays And How To Use Them Spdt Dpdt And Solid State Relay / 882 solid state dpdt relay products are offered for sale by suppliers on alibaba.com, of which relays accounts for 8%, integrated circuits there are 83 suppliers who sells solid state dpdt relay on alibaba.com, mainly located in asia.. It is a totally electronic device that depends on the electrical, magnetic, and optical properties of. One is run by an automatic system any tips on how to replace that dpdt relay with solid state devices, that would possibly not exceed $10/relay in quantities of less than 100, would be. This is the fotek ssr solid state relay capable of handling the ac load current up to 25 ampere. So how might one construct a dpdt solid state relay entirely out of mosfets that would allow them to swap the two outputs (connecting inx to outy and iny to. 3,3 mohms 4 mohms 5 mohms 5,6 mohms 5,8 mohms 6.
It has no moving parts, so, you won't hear any sound. 3,3 mohms 4 mohms 5 mohms 5,6 mohms 5,8 mohms 6. Relay ssr solid state relay how to use a solid state relay dpdt relay pinout spdt relay pinout dpdt relay contacts spdt relay contacts relay with arduino arduino relay control program how relays: It serves the same function as an electromechanical relay, but has no moving parts and therefore results in a longer operational lifetime. Here, although the poles appear to be a single pole, connected with the positive line.
Types Of Relays And How To Use Them Spdt Dpdt And Solid State Relay from i1.wp.com Single throw vs double throw. Solid state relays (ssrs) turn on or off the power being supplied to other devices, in a similar fashion as a physical switch. This is the hke 12vdc dpdt double pole and double throw type relay. Visit alibaba.com to check out the broad range of dpdt solid state relay and save good money while buying these powerful devices. 882 solid state dpdt relay products are offered for sale by suppliers on alibaba.com, of which relays accounts for 8%, integrated circuits there are 83 suppliers who sells solid state dpdt relay on alibaba.com, mainly located in asia. So how might one construct a dpdt solid state relay entirely out of mosfets that would allow them to swap the two outputs (connecting inx to outy and iny to. 3,3 mohms 4 mohms 5 mohms 5,6 mohms 5,8 mohms 6. A solid state relay (ssr) is an electronic switching device that switches on or off when an external voltage (ac or dc) is applied across its control terminals.
Visit alibaba.com to check out the broad range of dpdt solid state relay and save good money while buying these powerful devices.
Here, although the poles appear to be a single pole, connected with the positive line. One is run by an automatic system any tips on how to replace that dpdt relay with solid state devices, that would possibly not exceed $10/relay in quantities of less than 100, would be. This is the hke 12vdc dpdt double pole and double throw type relay. It serves the same function as an electromechanical relay, but has no moving parts and therefore results in a longer operational lifetime. In our assembly, we have solid state relays. Creating a dpdt version of the above dc solid state relay is actually not too difficult. 3,3 mohms 4 mohms 5 mohms 5,6 mohms 5,8 mohms 6. It has one common terminal and 2 contacts in 2 different configurations: This is the fotek ssr solid state relay capable of handling the ac load current up to 25 ampere. The top countries of suppliers are india, china, and india, from. The term 'solid state relay' is actually a fairly generic one, and can, in fact, refer to all manner of different relay components and configurations used to achieve the. Relay ssr solid state relay how to use a solid state relay dpdt relay pinout spdt relay pinout dpdt relay contacts spdt relay contacts relay with arduino arduino relay control program how relays: The eighth relay is connected to a.
It serves the same function as an electromechanical relay, but has no moving parts and therefore results in a longer operational lifetime. However, solid state relays with very high current ratings (150a plus) are still too expensive to buy due to their power. Relay ssr solid state relay how to use a solid state relay dpdt relay pinout spdt relay pinout dpdt relay contacts spdt relay contacts relay with arduino arduino relay control program how relays: The single pole double throw spdt relay is quite useful in certain applications because of its internal configuration. It is a totally electronic device that depends on the electrical, magnetic, and optical properties of.
Ssr 40da For Heating Dpdt Solid State Relay Buy Dpdt Solid State Relay Dpdt Solid State Relay Dpdt Solid State Relay Product On Alibaba Com from sc04.alicdn.com It serves the same function as an electromechanical relay, but has no moving parts and therefore results in a longer operational lifetime. One is run by an automatic system any tips on how to replace that dpdt relay with solid state devices, that would possibly not exceed $10/relay in quantities of less than 100, would be. 3,3 mohms 4 mohms 5 mohms 5,6 mohms 5,8 mohms 6. However, solid state relays with very high current ratings (150a plus) are still too expensive to buy due to their power. Right now the dpdt relay runs me about $10/ea. This dpdt type relay can be used to control ac loads up to 5amps. We can do this by adding a couple of more mosfets as shown in the following illustration. One can be normally closed and the other one is opened or it can be normally open and the other one closed.
One can be normally closed and the other one is opened or it can be normally open and the other one closed.
The term 'solid state relay' is actually a fairly generic one, and can, in fact, refer to all manner of different relay components and configurations used to achieve the. Find 24vac relay dpdt from a vast selection of solid state relays. This is the hke 12vdc dpdt double pole and double throw type relay. This dpdt type relay can be used to control ac loads up to 5amps. However, solid state relays with very high current ratings (150a plus) are still too expensive to buy due to their power. Relay ssr solid state relay how to use a solid state relay dpdt relay pinout spdt relay pinout dpdt relay contacts spdt relay contacts relay with arduino arduino relay control program how relays: Here, although the poles appear to be a single pole, connected with the positive line. 3,3 mohms 4 mohms 5 mohms 5,6 mohms 5,8 mohms 6. Solid state relays (ssrs) turn on or off the power being supplied to other devices, in a similar fashion as a physical switch. One is run by an automatic system any tips on how to replace that dpdt relay with solid state devices, that would possibly not exceed $10/relay in quantities of less than 100, would be. These dpdt solid state relay are ideal for both residential and commercial uses and do not carry any shock risks at all. A solid state relay (ssr) is an electronic switching device that switches on or off when an external voltage (ac or dc) is applied across its control terminals. I am currently using a mechanical 9v dpdt relay, i don't like the noise of it and was told that i should use a dpdt solid state relay instead.
Relay ssr solid state relay how to use a solid state relay dpdt relay pinout spdt relay pinout dpdt relay contacts spdt relay contacts relay with arduino arduino relay control program how relays: The term 'solid state relay' is actually a fairly generic one, and can, in fact, refer to all manner of different relay components and configurations used to achieve the. It has one common terminal and 2 contacts in 2 different configurations: The single pole double throw spdt relay is quite useful in certain applications because of its internal configuration. It is a totally electronic device that depends on the electrical, magnetic, and optical properties of.
How Can I Switch Two Wires Using Solid State Relays Electrical Engineering Stack Exchange from i.stack.imgur.com Right now the dpdt relay runs me about $10/ea. Visit alibaba.com to check out the broad range of dpdt solid state relay and save good money while buying these powerful devices. However, solid state relays with very high current ratings (150a plus) are still too expensive to buy due to their power. A solid state relay (ssr) is an electronic switching device that switches on or off when an external voltage (ac or dc) is applied across its control terminals. Solid state relays can be designed to operate either based on ac or dc input currents, depending on the specific model and applications. The single pole double throw spdt relay is quite useful in certain applications because of its internal configuration. Solid state relays (ssrs) turn on or off the power being supplied to other devices, in a similar fashion as a physical switch. One is run by an automatic system any tips on how to replace that dpdt relay with solid state devices, that would possibly not exceed $10/relay in quantities of less than 100, would be.
It is a totally electronic device that depends on the electrical, magnetic, and optical properties of.
We can do this by adding a couple of more mosfets as shown in the following illustration. Solid state relays can be designed to operate either based on ac or dc input currents, depending on the specific model and applications. The term 'solid state relay' is actually a fairly generic one, and can, in fact, refer to all manner of different relay components and configurations used to achieve the. However, solid state relays with very high current ratings (150a plus) are still too expensive to buy due to their power. Relay ssr solid state relay how to use a solid state relay dpdt relay pinout spdt relay pinout dpdt relay contacts spdt relay contacts relay with arduino arduino relay control program how relays: These dpdt solid state relay are ideal for both residential and commercial uses and do not carry any shock risks at all. Creating a dpdt version of the above dc solid state relay is actually not too difficult. I am currently using a mechanical 9v dpdt relay, i don't like the noise of it and was told that i should use a dpdt solid state relay instead. The single pole double throw spdt relay is quite useful in certain applications because of its internal configuration. One is run by an automatic system any tips on how to replace that dpdt relay with solid state devices, that would possibly not exceed $10/relay in quantities of less than 100, would be. One can be normally closed and the other one is opened or it can be normally open and the other one closed. This is the hke 12vdc dpdt double pole and double throw type relay. It has one common terminal and 2 contacts in 2 different configurations:
Limiting Factors Worksheet Answers : Limiting Factors Of Photosynthesis Activity Teaching Resources / Limiting factors worksheet click on the following link to access a website exploring limiting factors. . List the types of limiting factors below (use the limiting. Label each of the blanks on the graph with the following stages of limiting factors and carrying capacity worksheet directions: Transcribed image text from this question. (answer in a complete sentence by restating the question) 3. Practice greatest common factor with free worksheets, fractions worksheets, numbers worksheets with solutions. Every population has 2 what is a limiting factor? What do i put for attomic or whatever? Which of the following is not a major limiting factor for the rate of photosynthesis? Read the lesson on greatest common factor if you need to learn how to find the greatest common factor. What happened to the number of wolves on isle royale between 1975 and 1985? ...
Boat Fuel Gauge Wiring Diagram - 20 Fresh Boat Fuel Gauge Wiring Diagram : Wiring schematics, pictures, best practices and tips to get your boat's electrical systems in shape. . Most cases the easiest way to do it is to splice the wire and join the wires together. Reattach the wiring to the cluster. The basics of boat wiring. I want to thank ed batteries must not be directly under or over fuel lines or under other electrical equipment such as a the smallest gauge allowed on boats for a single wire is 16 gauge, or 18 gauge in a bundle or. As you will notice, the fuel sending unit and fuel gauge are at the same hole in the tank. Wiring to fuel gauge if all of the gauges are dead then one or more of the following is going on. So at this point i know i need a wireing diagram. Volts, amps, watts, fuse sizing, wire gauge, ac/dc, solar power and more! 1 piece fuel level gauge (with wires and instructions). It can also be soldered to the instrument panel however it is no...
Ethernet Controlled Relay / Relay Board 2 Way LAN Ethernet Network Delay Switch TCP ... : Remote i/o relay controller rs485 ethernet control switch w/ serial wiring cable. . 2020 popular ethernet controlled relay trends in home improvement, consumer electronics discover over 1148 of our best selection of ethernet controlled relay on aliexpress.com with. With this module users are able to do. The new 3rd gerneration ethernet interface installed plugs intro a router using a standard. Ethernet shield w5100 ethernet.begin(ethernet_mac, ethernet_ip, ethernet_dns, ethernet_gateway, ethernet_subnet). Using the controller module and the 16 channels relay, you could control up to. The new 3rd gerneration ethernet interface installed plugs intro a router using a standard. You can connect the board localy or via internet and control it via. 2020 popular ethernet controlled relay trends in home improvement, consumer electronics discover over 1148 of our best selection of etherne...
Komentar
Posting Komentar