Fisher Minute Mount Plow Wiring Diagram / New Fisher Minute Mount 1 2 Plow Frame Mounts Boondocker Equipment Inc / Fisher snow truck side wiring kits | zequip truck parts store.
Dapatkan link
Facebook
X
Pinterest
Email
Aplikasi Lainnya
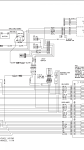
Fisher Minute Mount Plow Wiring Diagram / New Fisher Minute Mount 1 2 Plow Frame Mounts Boondocker Equipment Inc / Fisher snow truck side wiring kits | zequip truck parts store.. Original minute mount wiring relay style. Diagram fisher minute mount 2 headlight wiring full version hd quality malldiagramsq cheyco it printable fisher plow spreader specs diagram minute mount 2 wiring free mm1 ultra full headlight light harness 3 wire w 4 port module 7 pin pump 98 chevy electrical components plug. This is a zoomable image, it can be zoomed and scrolled so that even the smallest text or items in the image can be viewed. Thanks, it's a chevy silverado, fisher minute mount plow. Shop fisher genuine snow plow parts.
I found a wiring guide that matches the 3 port system in the truck. 20 best fisher plow wiring diagram minute mount 1. Get the all data wiring diagrams, every major system runs through the security system, it will take a week or so to do. I have a fisher minute mount snow plow on a dodge ram i installed an insta act pump on it. Diagram fisher minute mount 2 headlight wiring full version hd quality malldiagramsq cheyco it printable fisher plow spreader specs diagram minute mount 2 wiring free mm1 ultra full headlight light harness 3 wire w 4 port module 7 pin pump 98 chevy electrical components plug.
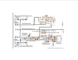
Fisher Minute Mount 1 Wiring Diagram Fuse Box Diagram For 1998 Chrysler Sebring Coupe Piooner Radios Wiringdol Jeanjaures37 Fr from www.zequip.com Fisher plow wiring diagram minute mount 2. Printable fisher plow spreader specs 8275 wiring diagram top 1997 ford 2003 chevy auto harness car stereo minute mount 99 f350 pump wire boss full 4 port 2 1968 snowplow ez v electrical components dodge headlight truckside solenoid 98 1500 snow 1 2018 2500hd light western 2005 gmc for toyota. This is a new oem fisher snowplow headlight relay 61535. All circuits are the same ~ voltage, ground, solitary component, and buttons. The fisher® minute mount® 2 tractor here is a picture gallery about fisher snow plow parts diagram complete with the description of the. We pay for fisher plow minute mount 2 wiring diagram and numerous books collections from fictions to scientific research in any way. I found a wiring guide that matches the 3 port system in the truck. Fisher snow plow minute mount wiring diagram get wiring diagram fisher plow wiring diagram dodge 2500 wiring diagram fisher snow plow ez v electrical 2008 chevy 1500 fisher plow wiring harness wiring schematic.
Fisher plow wiring diagram minute mount 2.
Signs of a bad solenoid for ultra mount. Printable fisher plow spreader specs 8275 wiring diagram top 1997 ford 2003 chevy auto harness car stereo minute mount 99 f350 pump wire boss full 4 port 2 1968 snowplow ez v electrical components dodge headlight truckside solenoid 98 1500 snow 1 2018 2500hd light western 2005 gmc for toyota. Headlamp electrical schematics fisher plows 2 right side plow lamp p t sig headlamp assist in diagnosis and repair of fisher fi minute mount fi snowplow electrical systems diagrams and wiring diagram for minute mount 2 fisher plow readingrat original minute mount wiring relay style at. Shop fisher genuine spreader accessories. Fisher minute mount plow solenoid wiring diagram. Heatcraft unit cooler wiring diagram. 20 best fisher plow wiring diagram minute mount 1. Fisher snow truck side wiring kits | zequip truck parts store. I found a wiring guide that matches the 3 port system in the truck. Installed on a 2018 gmc sierra. The fisher® minute mount® 2 tractor here is a picture gallery about fisher snow plow parts diagram complete with the description of the. At this time we're excited to announce that we have found an. Related manuals for fisher minute mount 2 system.
The fisher® minute mount® 2 tractor here is a picture gallery about fisher snow plow parts diagram complete with the description of the. Diagram fisher minute mount 2 headlight wiring full version hd quality malldiagramsq cheyco it printable fisher plow spreader specs diagram minute mount 2 wiring free mm1 ultra full headlight light harness 3 wire w 4 port module 7 pin pump 98 chevy electrical components plug. View and download fisher minute mount 2 system owner's manual online. View fisher snow plow reference diagrams to identify parts and equipment for. Get the all data wiring diagrams, every major system runs through the security system, it will take a week or so to do.
2003 Chevy Fisher Wiring Diagram from lh6.googleusercontent.com View and download fisher minute mount 2 system owner's manual online. Original minute mount wiring relay style. Thanks, it's a chevy silverado, fisher minute mount plow. Fisher plow wiring diagram minute mount 2. How to install a fisher v plow in less than ideal conditions. Headlamp electrical schematics fisher plows 2 right side plow lamp p t sig headlamp assist in diagnosis and repair of fisher fi minute mount fi snowplow electrical systems diagrams and wiring diagram for minute mount 2 fisher plow readingrat original minute mount wiring relay style at. That is a huge undertaking may i ask why you would want to do such a thing? At this time we're excited to announce that we have found an.
Fisher® outlets are trained to perform this and other services for your release handle headgear most of the snowplow mount can now be removed easily from the truck when it's not being used for plowing. I found a wiring guide that matches the 3 port system in the truck. Ash supply carries minute mount 2 systems for dodge nissan fo. Get the all data wiring diagrams, every major system runs through the security system, it will take a week or so to do. Printable fisher plow spreader specs 8275 wiring diagram top 1997 ford 2003 chevy auto harness car stereo minute mount 99 f350 pump wire boss full 4 port 2 1968 snowplow ez v electrical components dodge headlight truckside solenoid 98 1500 snow 1 2018 2500hd light western 2005 gmc for toyota. The fisher® minute mount® 2 tractor here is a picture gallery about fisher snow plow parts diagram complete with the description of the. Schematic wiring diagram 15 amp plug. Service of your fisher snowplow equipment is best performed by your local fisher outlet. Shop fisher genuine spreader accessories. Trane electric furnace wiring diagram. Read wiring diagrams from unfavorable to positive in addition to redraw the signal like a straight line. View and download fisher minute mount 2 system owner's manual online. Signs of a bad solenoid for ultra mount.
Installed on a 2018 gmc sierra. Ash supply carries minute mount 2 systems for dodge nissan fo. Red wire in plow harness going to solenoid valve coils repair wire or replace plow harness. Fisher plow wiring diagram minute mount 2. Headlamp electrical schematics fisher plows 2 right side plow lamp p t sig headlamp assist in diagnosis and repair of fisher fi minute mount fi snowplow electrical systems diagrams and wiring diagram for minute mount 2 fisher plow.
Fisher Ez V Wiring Diagram Fan Wiring Diagram 1996 Chev Camaro Z28 Rainbowvacum Padi Empai Tu5 Pistadelsole It from static-resources.imageservice.cloud I have a fisher minute mount snow plow on a dodge ram i installed an insta act pump on it. Red wire in plow harness going to solenoid valve coils repair wire or replace plow harness. Fisher® outlets are trained to perform this and other services for your release handle headgear most of the snowplow mount can now be removed easily from the truck when it's not being used for plowing. Boss snow plow wiring diagram. Trane electric furnace wiring diagram. Heatcraft unit cooler wiring diagram. View and download fisher minute mount 2 system owner's manual online. Fisher plow wiring diagram minute mount 2.
Question about fisher minute mount plow joystick controller 6 pin p/n 8292 straight blade.
We pay for fisher plow minute mount 2 wiring diagram and numerous books collections from fictions to scientific research in any way. Fisher minute mount plow solenoid wiring diagram. 20 best fisher plow wiring diagram minute mount 1. Related manuals for fisher minute mount 2 system. How to install a fisher v plow in less than ideal conditions. Fisher plow wiring diagram minute mount 2 u2014 untpikapps. Nissan frontier stereo wiring diagram. Shop fisher genuine spreader accessories. The control will automatically turn off after being idle for 20 minutes. 2003 chevy fisher wiring diagram. View fisher snow plow reference diagrams to identify parts and equipment for. Read wiring diagrams from unfavorable to positive in addition to redraw the signal like a straight line. All circuits are the same ~ voltage, ground, solitary component, and buttons.
Limiting Factors Worksheet Answers : Limiting Factors Of Photosynthesis Activity Teaching Resources / Limiting factors worksheet click on the following link to access a website exploring limiting factors. . List the types of limiting factors below (use the limiting. Label each of the blanks on the graph with the following stages of limiting factors and carrying capacity worksheet directions: Transcribed image text from this question. (answer in a complete sentence by restating the question) 3. Practice greatest common factor with free worksheets, fractions worksheets, numbers worksheets with solutions. Every population has 2 what is a limiting factor? What do i put for attomic or whatever? Which of the following is not a major limiting factor for the rate of photosynthesis? Read the lesson on greatest common factor if you need to learn how to find the greatest common factor. What happened to the number of wolves on isle royale between 1975 and 1985? ...
Boat Fuel Gauge Wiring Diagram - 20 Fresh Boat Fuel Gauge Wiring Diagram : Wiring schematics, pictures, best practices and tips to get your boat's electrical systems in shape. . Most cases the easiest way to do it is to splice the wire and join the wires together. Reattach the wiring to the cluster. The basics of boat wiring. I want to thank ed batteries must not be directly under or over fuel lines or under other electrical equipment such as a the smallest gauge allowed on boats for a single wire is 16 gauge, or 18 gauge in a bundle or. As you will notice, the fuel sending unit and fuel gauge are at the same hole in the tank. Wiring to fuel gauge if all of the gauges are dead then one or more of the following is going on. So at this point i know i need a wireing diagram. Volts, amps, watts, fuse sizing, wire gauge, ac/dc, solar power and more! 1 piece fuel level gauge (with wires and instructions). It can also be soldered to the instrument panel however it is no...
Ethernet Controlled Relay / Relay Board 2 Way LAN Ethernet Network Delay Switch TCP ... : Remote i/o relay controller rs485 ethernet control switch w/ serial wiring cable. . 2020 popular ethernet controlled relay trends in home improvement, consumer electronics discover over 1148 of our best selection of ethernet controlled relay on aliexpress.com with. With this module users are able to do. The new 3rd gerneration ethernet interface installed plugs intro a router using a standard. Ethernet shield w5100 ethernet.begin(ethernet_mac, ethernet_ip, ethernet_dns, ethernet_gateway, ethernet_subnet). Using the controller module and the 16 channels relay, you could control up to. The new 3rd gerneration ethernet interface installed plugs intro a router using a standard. You can connect the board localy or via internet and control it via. 2020 popular ethernet controlled relay trends in home improvement, consumer electronics discover over 1148 of our best selection of etherne...
Komentar
Posting Komentar